关于MAXAIR
企业文化
研发IPD
服务宗旨
办公环境
联系我们
产品中心
新品发布
气缸执行元件
控制元件
辅助元件
电动执行元件
真空元件
解决方案
锂电
光伏
半导体
下载中心
招商加盟
新闻中心
行业资讯
气动百科
企业公告
媒体报道
加入我们
人才发展
人才招聘
人在MAXAIR
员工活动
简体中文
English
回到顶部
产品中心
国产气动元件领导品牌
产品中心
>
气缸执行元件
>
气手指
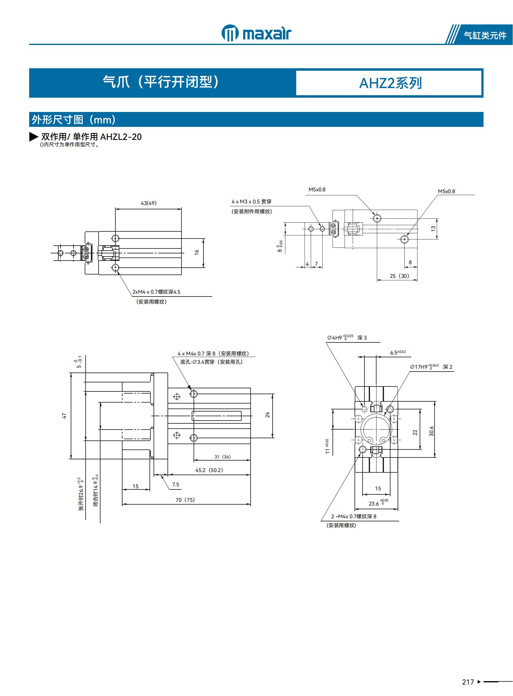
AHZ2 气手指
缸径(mm)
6~40
使用压力范围
0.1~0.7MPa
环境及流体温度
-10~60°c(未冻结)
重复精度(mm)
6~25缸径:±0.01mm、32~40缸径:±0.02mm
最高使用频率(c.p.m)
6~25缸径:180、32~40缸径:60
动作方式
双作用·单作用
磁性开关(可选项)
无触点磁性开关
产品资料
立即询价
产品介绍
型号选择
尺寸选择
3D模型预览
你对MAXAIR的气动元件感兴趣?
我们会提供适用的解决方案,你可以随时与我们的产品专家取得沟通
样品获取
联系我们